Introduction:
DW-6 is a new design 6X6 heavy load high speed wheeled robot chassis.
Application:
It can be widely applied in fields such as rescue robot, safety protection monitoring, robotic arm carriers, lifting platforms, transportation vehicle, etc.
Features:
1. The front and rear wheels use an Ackermann steering system, providing flexible steering and smooth movement; the six-wheel independent suspension can filter out most vibrations caused by uneven surfaces, ensuring the vehicle maintains a stable posture.
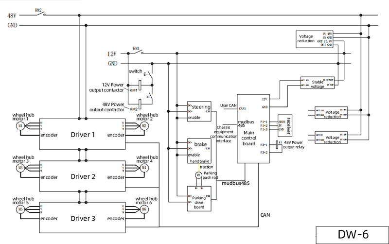
2. The power system adopts a 6X6 configuration, with each wheel having its own independent power system. The vehicle is powerful, with strong towing capacity, and is suitable for various complex road conditions.
3. The vehicle is equipped with an expandable platform that can carry different application modules for various fields.

Reserved autonomous driving and navigation modules
Control Modes:
A01
Handheld remote controller
Remote control distance 700-800m (open areas)
10 channels
Support data/video transmission
Standard
A01-V
Handheld remote controller with single video display
Remote control distance 700-800m
visual distance 400m (open areas)
Optional
A02
Control box with 4 screens
Remote control distance 500m
4 wired video signals, Optional PWM steering gear control signals (Max.13 signals)
Optional
If you have any question or comment, please contact us without hesitation. We
will reply you as soon as possible.( * is required information)